{{ 'fb_in_app_browser_popup.desc' | translate }} {{ 'fb_in_app_browser_popup.copy_link' | translate }}
{{ 'in_app_browser_popup.desc' | translate }}
{{word('consent_desc')}} {{word('read_more')}}
{{setting.description}}
價格均含稅,下單享優惠!歡迎大量採購,由專人提供專案報價。
目前僅提供網路賣場服務,無實體店面,無自取服務。
價格均含稅,下單享優惠!歡迎大量採購,由專人提供專案報價。
目前僅提供網路賣場服務,無實體店面,無自取服務。
價格均含稅,下單享優惠!歡迎大量採購,由專人提供專案報價。
{{ childProduct.title_translations | translateModel }}
{{ getChildVariationShorthand(childProduct.child_variation) }}
{{ getSelectedItemDetail(selectedChildProduct, item).childProductName }} x {{ selectedChildProduct.quantity || 1 }}
{{ getSelectedItemDetail(selectedChildProduct, item).childVariationName }}
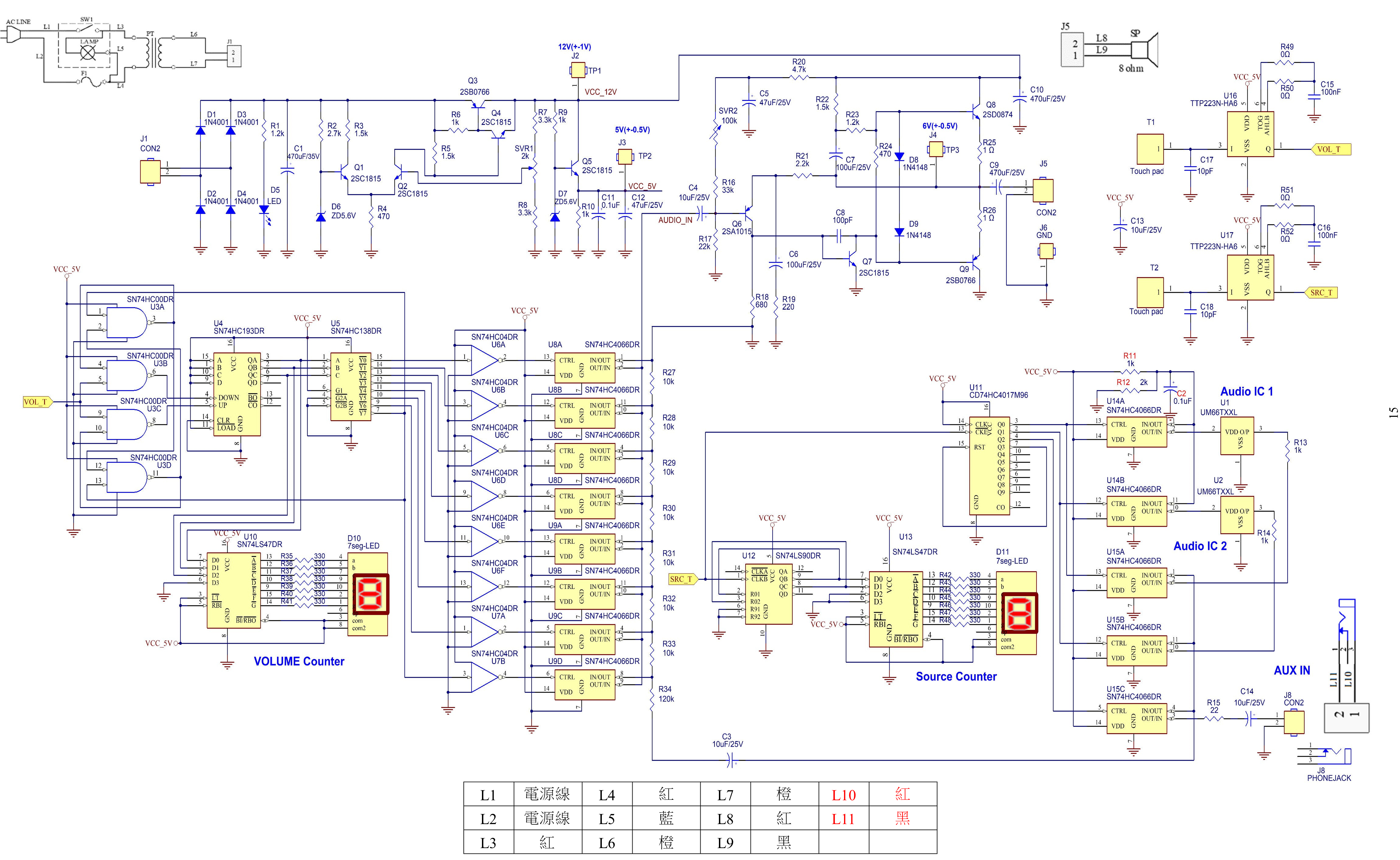
工業電子丙級音樂盒完整套件包 含零件包與機殼,適用技能檢定、電子實作訓練與課程教學。提供電阻、IC、喇叭與 PCB,完整支援檢定題目練習。
滿千免運優惠(限郵寄和超商純取貨) on order
本賣場無實體店面,無提供自取服務,敬請見諒。 on order
Not enough stock.
Your item was not added to your cart.
Not enough stock.
Please adjust your quantity.
{{'products.quick_cart.out_of_number_hint'| translate}}
{{'product.preorder_limit.hint'| translate}}
Limit {{ product.max_order_quantity }} per order.
Only {{ quantityOfStock }} item(s) left.
此套件為工業電子丙級檢定指定題「音樂盒」實作專用材料組,完整收錄檢定所需的所有電子元件、電路板與外殼機構,讓學員可依考試規範進行焊接與組裝練習。套件內含 電阻、電容、IC、喇叭、開關、電源模組與外殼機構件,並提供對應 PCB 電路板,可直接進行音樂盒電路測試與除錯。非常適合 電子科學生、技術士檢定應考者、電子實作教學課程 或 DIY 練習使用,能有效提升實作熟練度與元件辨識能力。

電路板尺寸圖

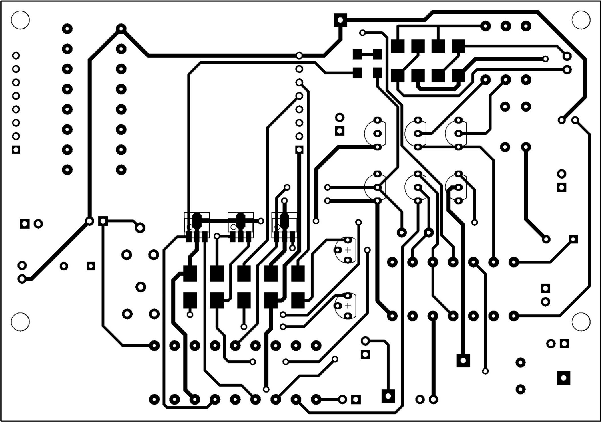
測試電路板元件佈置圖

測試電路板正面(Top)佈線圖

測試電路板反面(Bottom)佈線圖(左右相反)

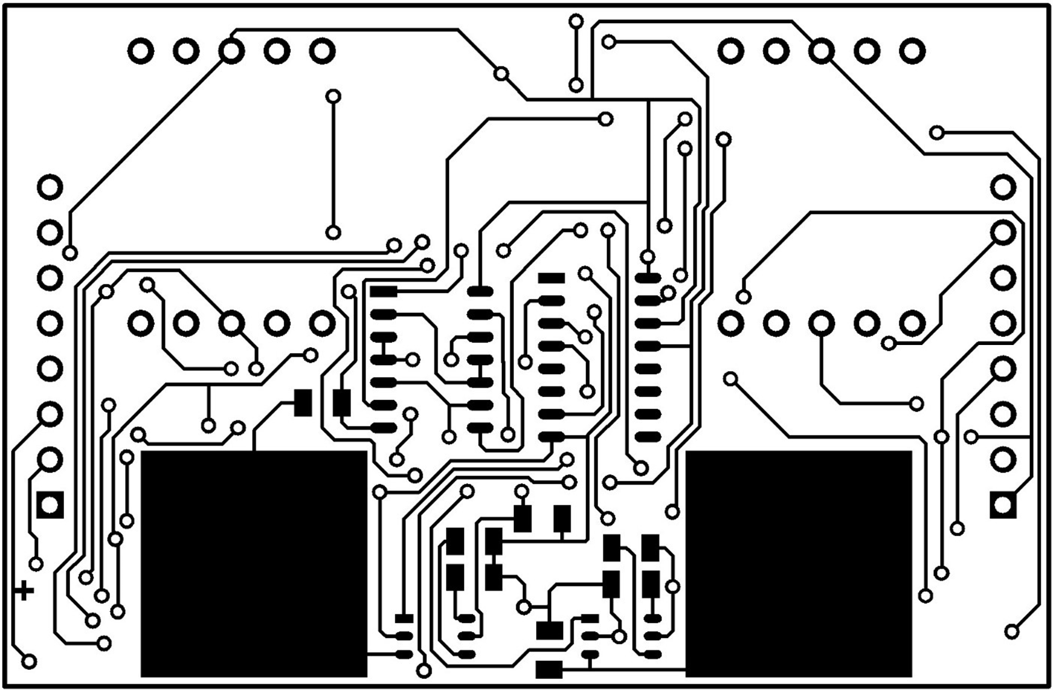
觸控子電路板正面(Top)元件佈置圖

觸控子電路板反面(Bottom)元件佈置圖(左右相反)

觸控子電路板正面(Top)佈線圖

觸控子電路板反面(Bottom)佈線圖(左右相反)

工業電子丙級 音樂盒 - 零件包
| 項次 | 編號 | 名稱 | 規格 | 單位 | 數量 |
| 1 | U1、U2 | 音樂積體電路 | HT3810 二種不同音樂或同規格品 | 只 | 2 |
| 2 | R1、R23 | 電阻器 | 1.2 kΩ 1/4 W | 只 | 1 |
| 3 | R2 | 電阻器 | 2.7 kΩ 1/4 W | 只 | 1 |
| 4 | R3、R5、R22 | 電阻器 | 1.5 kΩ 1/4 W | 只 | 3 |
| 5 | R4、R24 | 電阻器 | 470 Ω 1/4 W | 只 | 2 |
| 6 | R6、R9、R10、R13、R14 | 電阻器 | 1 kΩ 3/4 W (SMD RC2010) | 只 | 5 |
| 7 | R7、R8 | 電阻器 | 3.3 kΩ 1/4 W | 只 | 2 |
| 8 | R15 | 電阻器 | 22 Ω 1/4 W | 只 | 1 |
| 9 | R16 | 電阻器 | 33 kΩ 1/4 W | 只 | 1 |
| 10 | R17 | 電阻器 | 22 kΩ 1/4 W | 只 | 1 |
| 11 | R18 | 電阻器 | 680 Ω 1/4 W | 只 | 1 |
| 12 | R19 | 電阻器 | 220 Ω 1/4 W | 只 | 1 |
| 13 | R20 | 電阻器 | 4.7 kΩ 1/4 W | 只 | 1 |
| 14 | R21 | 電阻器 | 2.2 kΩ 1/4 W | 只 | 1 |
| 15 | R25、R26 | 電阻器 | 1 Ω 1/4 W | 只 | 2 |
| 16 | R27、R28、R29、R30、R31、R32、R33 | 電阻器 | 100 kΩ 1/4 W | 只 | 7 |
| 17 | R34 | 電阻器 | 120 kΩ 1/4 W | 只 | 1 |
| 18 | SVR1 | 半可調電阻器 | 2 kΩ (B) | 只 | 1 |
| 19 | SVR2 | 半可調電阻器 | 100 kΩ (B) | 只 | 1 |
| 20 | C1 | 電解電容器 | 470μF/35V | 只 | 1 |
| 21 | C9、C10 | 電解電容器 | 470μF/25V | 只 | 2 |
| 22 | C11 | 陶瓷電容器 | 0.1μF/50V | 只 | 1 |
| 23 | C3、C4、C14 | 電解電容器 | 10μF/25V | 只 | 3 |
| 24 | C5、C12 | 電解電容器 | 47μF/25V | 只 | 2 |
| 25 | C6、C7 | 電解電容器 | 100μF/25V | 只 | 2 |
| 26 | C8 | 陶瓷電容器 | 100 pF/50V | 只 | 1 |
| 27 | D1、D2、D3、D4 | 整流二極體 | LL4001,1A (SMD LL-41) | 只 | 4 |
| 28 | D5 | 發光二極體 | 直徑:5Ø,綠色 | 只 | 1 |
| 29 | D6、D7 | 稽納二極體 | 5.6V 1/2W | 只 | 2 |
| 30 | D8、D9 | 二極體 | LL4148,(SMD SOD-80) | 只 | 2 |
| 31 | TP1、TP2、TP3、GND | 測試端點 | PC 板用接線柱 | 只 | 4 |
| 32 | Q1、Q2、Q4、Q5、Q7 | 電晶體 | 2SC1815 | 只 | 5 |
| 33 | Q3、Q9 | 電晶體 | 2SB0766 (SMD SOT-89) | 只 | 2 |
| 34 | Q6 | 電晶體 | 2SA1015 | 只 | 1 |
| 35 | Q8 | 電晶體 | 2SD0874 (SMD SOT-89) | 只 | 1 |
| 36 | J1、J5、J8 | 莫士(Molex)接頭 | 2P 公座 | 只 | 3 |
| 37 | CON1、CON2 | 杜邦(Dupont)接頭 | 8P 單排母座 | 只 | 2 |
| 38 | 焊錫 | 公尺 | 3 | ||
| 39 | 已蝕刻電路板(加印元件面及防焊處理) | 雙面玻璃纖維,112.8 × 79.3 × 1.6mm | 片 | 1 |
工業電子丙級 音樂盒 - 配件包+線材包
| 項次 | 編號 | 名稱 | 規格 | 單位 | 數量 |
| 1 | SW1 | 電源開關 | AC250V/6A(帶燈洛克開關) | 只 | 1 |
| 2 | F1 | 保險絲座 | 20mm | 只 | 1 |
| 3 | F1 | 保險絲 | 0.5A 管狀 | 只 | 1 |
| 4 | PT | 電源變壓器 | AC110V/15V,0.5A | 只 | 1 |
| 5 | SP | 平面式喇叭 | 8Ω,1/4 W,40 ´ 40mm | 只 | 1 |
| 6 | 機殼 | 如附圖 | 只 | 1 | |
| 7 | L1、L2 | 電源線(附線扣) | 2A 含插頭 5 尺 | 組 | 1 |
| 8 | 束線帶 | 3mm × 100mm | 只 | 14 | |
| 9 | 束線座 | YL-3 或相當品 | 只 | 2 | |
| 10 | L3、L4 | PVC 導線 | #26,7 芯,紅色, 20cm | 條 | 2 |
| 11 | L5 | PVC 導線 | #26,7 芯,藍色,25cm | 條 | 1 |
| 12 | L6、L7 | PVC 導線 | #26,7 芯,2P 莫士(Molex)母座含線,橙色,10cm | 組 | 1 |
| 13 | L8、L9、L10、L11 | PVC 導線 | #26,7 芯,2P 莫士(Molex)母座含線,紅色、黑色各一,10cm | 組 | 2 |
| 14 | 音源座 | 3.5mm,單聲道 | 只 | 1 | |
| 15 | 銅柱 | 5mm | 支 | 4 | |
| 16 | 螺絲 | 3mm × 10mm | 只 | 6 | |
| 17 | 螺絲 | 3mm × 5mm | 只 | 16 | |
| 18 | 螺帽 | 3mm | 只 | 18 | |
| 19 | 橡膠腳墊 | 10mm φ | 只 | 4 | |
| 20 | 熱縮套管 | 5mm φ PE 黑色 (SA-5) | 公分 | 15 | |
| 21 | 熱縮套管 | 15mm φ PE 透明 (SA-15) | 公分 | 3 | |
| 22 | 熱縮套管 | 25mm φ PE 透明 (SA-25) | 公分 | 3 |
工業電子丙級 音樂盒 - 觸控子板
| 項次 | 編號 | 名稱 | 規格 | 單位 | 數量 |
| 1 | R35、R36、R37、R38、R39、R40、R41、R42、R43、R44、R45、R46、R47、R48 | 電阻器 | 330 Ω (SMD0603) | 只 | 14 |
| 2 | R49、R50、R51、R52 | 電阻器 | 0 Ω (SMD0603) | 只 | 4 |
| 3 | R11 | 電阻器 | 1 kΩ (SMD0603) | 只 | 1 |
| 4 | R12 | 電阻器 | 2 kΩ (SMD0603) | 只 | 1 |
| 5 | C13 | 多層陶瓷電容器 | 10μF (SMD1206) | 只 | 1 |
| 6 | C2、C15、C16 | 陶瓷電容器 | 0.1μF (SMD0603) | 只 | 3 |
| 7 | C17、C18 | 陶瓷電容器 | 10 pF (SMD0603) | 只 | 2 |
| 8 | D10、D11 | 七段顯示器 | 0.56 吋,共陽極 | 只 | 2 |
| 9 | U3 | 積體電路 | SN74HC00DR,SOIC127P600X175-14L(或同等品) | 只 | 2 |
| 10 | U4 | 積體電路 | SN74HC193DR,SOIC127P600X175-16L(或同等品) | 只 | 1 |
| 11 | U5 | 積體電路 | SN74HC138DR,SOIC127P600X175-16L(或同等品) | 只 | 1 |
| 12 | U6、U7 | 積體電路 | SN74HC04DR,SOIC127P600X175-14L(或同等品) | 只 | 2 |
| 13 | U8、U9、U14、U15 | 積體電路 | SN74HC4066DR,SOIC127P600X175-14L(或同等品) | 只 | 4 |
| 14 | U10、U13 | 積體電路 | SN74LS47DR,SOIC127P600X175-16L(或同等品) | 只 | 2 |
| 15 | U11 | 積體電路 | CD74HC4017M96,SOIC127P600X175-16L(或同等品) | 只 | 1 |
| 16 | U12 | 積體電路 | SN74LS90DR,SOIC127P600X175-14L(或同等品) | 只 | 1 |
| 17 | U16、U17 | 積體電路 | TTP223N-HA6,STO23-6(或同等品) | 只 | 2 |
| 18 | CON1、CON2 | 排針 | 8P,2.54mm 單排排針 | 只 | 2 |
| 19 | 已蝕刻電路板(加印元件面及防焊處理) | 雙面玻璃纖維,58.4 × 38.1 × 1.6mm | 片 | 1 |
| 規格 | 產品貨號 | 區號 | 品牌 | 原廠貨號 |
| 完整版套件包 (零件包+機殼) | 368090400014 | |||
| 零件包 (附電路板) | 368090400015 | |||
| 線材補充包 | 368090400016 | |||
| 電阻材料包 | 368090400017 | |||
| 觸控子板 | 368090400018 | |||
| 配件+線材包 | 368090400022 |